

Autor | Thema |
---|---|
Tom
Grand Master of Rocketry
Registriert seit: Aug 2000 Wohnort: Neustadt Verein: T2 , SOL-1 Beiträge: 5257 Status: Offline |
Beitrag 127174
[
![]()
Hi,
danke für die Kritik, es sind wirklich gute Überlegungen drin. Will man jedoch alles umsetzen, dann wird das Zündgerät sehr komplex und vermutlich zweigeteilt. Einen Hochstromkreis direkt mit Akku an der Rampe, einen Steuerkreis beim Starter. Zur Verkabelung innerhalb von Fabians Zündgerät, denke ich nicht dass man unbedingt im Querschnitt auf die von Dir angeregte Größe gehen muss. Bei den kurzen Leitungslängen wird der Spannungsfall innerhalb der Zündbox auf den Leitungen unerheblich sein. Jedes Zündgerät hat Vor und Nachteile, die ultimative Zündbox habe ich noch nicht gesehen ![]() Viele Dinge kann man auch als "Religionsfrgae" ansehen. Manch einer nutzt lediglich eine Autobatterie mit entsprechenden Kontaketen. Auch nicht die schlechteste Lösung. Die Frage mit dem Kurzschliessen der Zünderleitung ist mittlerweile auch fast zu einer Religionsfrage geworden. Mein neues Zündgerät verzichtet mittlerweile auch auf die Kurzschlussbrücke in der Box. Der Zünder wird direkt am Modell kurzgeschlossen und erst kurz vor Start an den Leistungskreis angeschlossen. Viele Wege führen nach Rom. Vielleicht sollten wir einen neuen Thread aufmachen um fabians Baubericht nicht allzusehr zu strapazieren ? Vielleicht hast Du ein paar Bilder , Informationen zu deiner Lösung ? Gruß Tom Geändert von Tom am 19. August 2007 um 16:41 |
Lightning_Man
Raketenbauer Registriert seit: Jul 2007 Wohnort: ----- Verein: ----- Beiträge: 176 Status: Offline |
Beitrag 127183
[
![]()
Hi Tom,
. Zitat: Ja, das stimmt ;o)) Meins wird sogar 4 geteilt sein ;o)) Startrampe mit Akkus, Messstation, Handheld Controlbox mit 240x128 LCD und ein kleines Mini-Handheld. Das ganze wird über 4 Atmels ;o)) gesteuert. Zitat: Richtig. Für einfache (d.h. µ-proc -lose) Startgeräte reicht aber ein Akku aus. Der Steuerstrom ist ja nicht hoch (<< 500mA). Das zweiteilen der Geschichte erlaubt es einem dann auch relativ dünne Kabel zwischen Rampe und Startgerät zu verlegen. Einfacher aufzurollen und zu verstauen. Die Entfernung spielt dabei fast keine Rolle mehr Zitat: Rein von den Bildern her, würde ich sagen, es sind maximal 1mm² eher 0,75mm². In meinen Augen zu wenig. Zitat: Vor allem weil wir hier von einem T2 Konformen Startgerät sprechen. D.h. es sind nochmal 40m Kabel (2x 20m) zwischen Akku und Zünder. Wie gesagt, ich will Fabians Design ja nicht zerpflücken, sondern nur (hoffentlich ;o)) hilfreiche Tips geben ![]() Zitat: ;o)) Stimme ich Dir zu. Weiter unten ein paar links zu meinem geplanten Design. Zitat: Ja, ich weiß ;o)) Es ist wohl so ähnlich wie Parallel- vs Serienverdrahtung der Zünder im Cluster (ich gehöre zu ersteren Gruppe ;ö)) Zitat: Ich bin seit 1975 im Raketenmodellbausport tätig. Davon fast 10 Jahre in USA. In der Zeit habe ich schon einige Startgeräte gebastelt. Vom einfachen Akku mit zwei Drähten (so wie Du es oben beschrieben hast ;o)) über mehrere, immer komplexer werdender, Designs. Eine grobe Zusammenfassung meiner Geräte habe ich hier beschrieben: http://www.modellraketen-forum.de/board/messages/107/34574.html (Mein Beitrag Nr. 33) Z.Z bastele ich an einer "kann alles" Lösung: http://www.modellraketen-forum.de/board/messages/321/35311.html?1179671633 (ein direkter Link zu meinem Beitrag geht leider nicht) Mein Beiträge Nr: 95 und 105 Hier geht es um Zünderdaten: http://www.modellraketen-forum.de/board/messages/107/34574.html?1175623415 (erster Beitrag auf der Seite ==> Mein Beitrag Nr.14 und auch Nr. 16 etwas weiter unten und zum Schluß noch mein Beitrag Nr. 30 als Grundidee) Ich bin noch weit davon entfernt es fertig zu haben, aber die Grundideen sind schon so weit verankert. Das Hochstromschematic ist zu 90% fertig. Wenn Interesse besteht, kann ich nach Fertigstellung hier im Forum mal einen Link posten, wo man alle Daten, Pläne und Sourcecode runterladen kann. P.S.: Hoffe es ist okay, daß ich hier Links von einem anderen Forum poste Geändert von Lightning_Man am 19. August 2007 um 17:39 viele internette Grüße, Reinhard if nothing else helps, just add a couple of kilovolts ![]() L1 TRA #: 11857 |
FabianH
Grand Master of Rocketry
Registriert seit: Okt 2003 Wohnort: Gevelsberg Verein: Ramog, Solaris-RMB, FAR Beiträge: 4123 Status: Offline |
Beitrag 127194
[
![]()
Ich habe ansich vor, mit dem Gerät vorerst nur SN0 zu zünden. Daher werde ich mit dem Leiterquerschnitt hinkommen. Taster und Schalter habe ich mir gestern gekauft, die Momentan verwendeten hatte ich halt noch da. Klar, es gibt immer Lösungen für jedes Problem, aber wie Tom schon sagt, ein zu komplexes Gerät wird kaum einer nachbauen, erst recht kein Elektronik Laie. Ich möchte ja auch zeigen, das ein T2-konformes Zündgerät relativ einfach zu bauen ist. Es ist ausreichend, günstig und funktioniert. Ich denke darauf kommt es im Enteffekt an. Wer weis, dass er Zünder verwendet, die sehr viel Strom benötigen, muss halt dickere Kabel, Schalter und Taster verwenden.
MfG Fabian PS: hab gestern in der Westfalia-Filiale noch 3UM und 4UM-Schalter gesehen. Aber das Problem haben wir ja schon umgangen. |
Lightning_Man
Raketenbauer Registriert seit: Jul 2007 Wohnort: ----- Verein: ----- Beiträge: 176 Status: Offline |
Beitrag 127214
[
![]()
Hallo Fabian,
Zitat: Auch SN0 Zünder brauchen einen relativ hohen Strom. Eine normale Blitzlichtbirne benötigt über 6A beim Zünden. Die SN0 tendenziell eher mehr (10-12A). Das ist zwar der Spitzenstrom und nur für wenige mS, aber nicht destotrotz können dabei die Kontake verschweissen. Du hast keinerlei Möglichkeit den Zustand der Schalter und Taster zu überprüfen. Deshalb mein Vorschlag es mittels Relais zu machen. Bei einem mehrfach UM Relay sind die einzelnen Kontaktpaare mechanisch zusammengefaßt, so daß ein Kontaktpaar einfach zur Überprüfung des "Gesundheitszustand" des Relais genutzt werden kann. Desweiteren benutzt Du Akkus. Wenn Du mal Lust hast, kannst Du ja mal einen 1,5mm² quer über Deinen Akkus legen. Der Draht wird innerhalb 1 Sekunde weißglühend werden. Da gleiche passiert Dir auch wenn Du mal einen Kurzschluß im Startgerät hast. D.h. Das Ding wird einfach abfackeln. Es hat also nicht NUR mit dem Strom des Zünders zu tun ;o)) Wie gesagt, ich will Dich bzw. Dein Design in keinsterweise schlecht machen, aber GERADE weil es T2 konform werden soll, versuche ich Dir die Schwachpunkte aufzuzeigen. Es bleibt NATÜRLICH vollkommen Dir überlassen, wie Du es im Endeffekt bauen wirst. ![]() viele internette Grüße, Reinhard if nothing else helps, just add a couple of kilovolts ![]() L1 TRA #: 11857 |
morning
Raketenbauer Registriert seit: Feb 2003 Wohnort: Tawern Verein: AGM, TRA#12037 Beiträge: 180 Status: Offline |
Beitrag 127226
[
![]()
Servus,
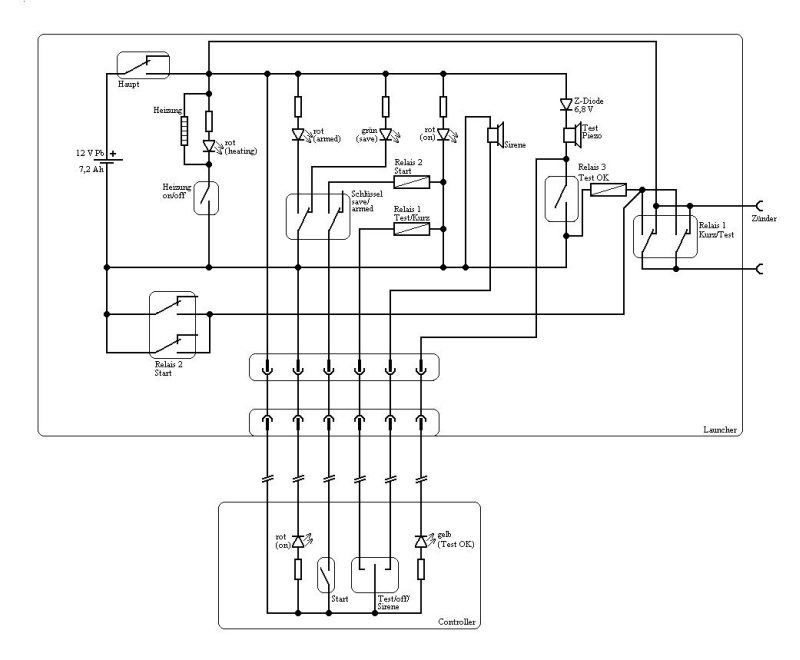
da sich der Thread ja langsam neben dem eigendlichen Baubericht auch mit so allerlei wissenswertem über Startgeräte füllt und auch schon verschiedene Schaltpläne gepostet wurden bin ich einfach mal so frech und zeig euch auch mal meine Version... ![]() Ist schon einige Jahre her dass ich mir das zusammen gebastelt hab- deshalb ist der selbstgemalte Schaltplan auch nicht wirklich Industrie-Konform, sollte aber trotzdem zu lesen sein. Sämtliche Kabel welche Zündstrom führen sind 4qmm, die beiden zugehörigen Relais sind 60A-typen 2xUM, wobei ich auch je beide Pfade parallel beschaltet hab. Somit sollten sie kein Problem mit Verkleben bekommen... Grüße, Morning |
Lightning_Man
Raketenbauer Registriert seit: Jul 2007 Wohnort: ----- Verein: ----- Beiträge: 176 Status: Offline |
Beitrag 127230
[
![]()
Hi Morning,
Ja, gefällt mir schon ganz gut ;o)) Einzig der Hauptschalter wird bei Dir mit dem vollen Startstrom belastet ![]() >Relais sind 60A-typen 2xUM, wobei ich auch je beide Pfade parallel >beschaltet hab. Somit sollten sie kein Problem mit Verkleben bekommen... Doch ;o)) Und zwar wäre eine Serienschaltung der Kontakte besser gewesen. Beim Parallelschalten genügt es, wenn sich ein Kontaktpaar verschweißt ;o)) Bei der Serienschaltung hat man immer noch einen Kontakt in Reihe. Der Fall, daß beide verschweissen, ist nahezu undenkbar. Da einzige was mir "mißfällt" (hoffentlich denkt ihr jetzt nicht, daß ich nur Nörgeln kann ![]() schalter in der Box hast. D.h. im Gefahrenfall muß man sich zur Rampe begeben. Aber für was hast Du eine *HEIZUNG* in die Startbox eingebaut ??? Ist daß für den Grog bei den Winterstarts ![]() Kleine Anmerkung: Es heißt Armed / Safe (nicht saved). Saved heißt entweder gerettet oder gespeichert, je nach Anwendungsfall ![]() Geändert von Lightning_Man am 19. August 2007 um 20:39 viele internette Grüße, Reinhard if nothing else helps, just add a couple of kilovolts ![]() L1 TRA #: 11857 |
morning
Raketenbauer Registriert seit: Feb 2003 Wohnort: Tawern Verein: AGM, TRA#12037 Beiträge: 180 Status: Offline |
Beitrag 127242
[
![]()
Hi Reinhart,
jau, stimmt- der Hauptschalter muß da durch- aber er wird ja nicht mit Laststrom geschaltet und übersteht das so ganz gut, macht normal 16A und steckt den Rest bisweilen gut weg (auch Drahtcluster)... Gedankengang hinter der Parallelschaltung der Relais war, das sich der Strom in selbiger aufteilt und so die Kontakte nur die Hälfte der Last weckstecken müssen. ![]() Was den Arm/Safe-Schalter angeht hast du schon recht, angenehmer wär's in der Handbox. Aber weil die so klein is und der Munitionskasten noch so viel Platz geboten hat sitzt er nun da. Im Normalfall passt das auch ganz gut, ist ja mehr dafür gedacht wenn die Box so im Feld rum steht und jemand zu neugierig is. Wenn ich aktiv am fliegen bin hab ich ohnehin den Controller in der Hand und es kann keiner rumspielen... Grog ist nicht so meins, ich trink lieber Viez und der kann ruhig schön kalt sein... ![]() Aber die Idee gefällt mir, werd ich mir merken! Ne, hatte ne 12W Heizfolie am Akku kleben das der auch an kalten Tagen genug Wumms hat. Ist aber schon lang wieder rausgeflogen weil die Pb-Gels ja im Winter lang nicht so rum zicken wie andere Akkus das drauf haben. Der Schalter is also nur'n Relikt- sieht aber besser aus als 'n Loch ![]() Jaja, Safe wär richtig- aber ich war jung und wusst's nicht besser... *schäm* |
Lightning_Man
Raketenbauer Registriert seit: Jul 2007 Wohnort: ----- Verein: ----- Beiträge: 176 Status: Offline |
Beitrag 127247
[
![]()
Hi Morning,
>macht normal 16A und steckt den Rest bisweilen gut weg (auch Drahtcluster)... Das sind eigentlich die Schlimmsten, da der hohe Strom über lange Zeit hinweg anliegt >Gedankengang hinter der Parallelschaltung der Relais war, das sich der >Strom in selbiger aufteilt und so die Kontakte nur die Hälfte der Last weckstecken > müssen. ![]() Die Idee ist eigentlich nicht dumm, aber das Problem besteht in der Mechanik ![]() nicht 100% gleichzeitig und sie können auch Prellen. D.h. der erste Stromschub wird von nur einem Kontaktpaar aufgenommen. Deshalb bevorzuge ich die Serienverdrahtung. Selbst wenn ein Kontaktpaar verschweißt, bleibt noch das zweite, welches den Stromkreis öffnen kann. >Ne, hatte ne 12W Heizfolie am Akku kleben das der auch an kalten >Tagen genug Wumms hat. So etwas in der Art hatte ich mir schon gedacht ![]() Kommentar konnte ich mir einfach nicht verkneifen. >Ist aber schon lang wieder rausgeflogen weil die Pb-Gels ja im Winter >lang nicht so rum zicken Stimmt Pb-Gel sind eigentlich für Startgeräte mit unter die besten Akkus. Sie brauchen wenig Pflege, geringe Selbstentladungskurve (viel kleiner als NiCd oder NimH), geben Strom ohne Ende und sind (besonders im Vergleich zu LiPo's) einfach zu laden. Man sollte sie allerdings nie voll entladen. Das geht auf die Lebensdauer. Am besten sind so 20-30% Entladung (also bei 70-80% wieder aufladen). Da halten die Dinger fast ewig. Mit 2.40-2.45V / Zelle einen FastCharge. Nachdem der Strom auf ca 20-40mA abgefallen ist, auf TrickleCharge (2.30-2.35V / Zelle) umschalten. >Jaja, Safe wär richtig- aber ich war jung und wusst's nicht besser... *schäm* Kein Thema ![]() ![]() fiel es mir halt sofort auf ![]() viele internette Grüße, Reinhard if nothing else helps, just add a couple of kilovolts ![]() L1 TRA #: 11857 |
FabianH
Grand Master of Rocketry
Registriert seit: Okt 2003 Wohnort: Gevelsberg Verein: Ramog, Solaris-RMB, FAR Beiträge: 4123 Status: Offline |
Beitrag 129317
[
![]()
So, ich habe nun mal die neue Frontplatte gemacht. Der Zündtaster ist auch neu und es ist alles neu verlötet mit etwas dickerem Lautsprcherkabel.
Die Frontplatte Im gesicherten Zustand: Im scharfen Zustand: Scharf und Zünder ok: Es funktioniert alles, habe grad mal nen SN0 verbraten. MfG Fabian |
